¿Qué es un taladro neumático y cómo funciona?

A taladro neumático o taladro de aire es una herramienta que se utiliza a menudo en la industria, la construcción y muchos otros sectores, pero ¿qué es un taladro neumático y cuál es su principio de funcionamiento? El taladro neumático funciona como un taladro neumáticoque es diferente de los taladros eléctricos. El principio de funcionamiento es similar a un ciclo repetitivo que pasa por válvulas y rotores para crear par de torsión que acabaría accionando un taladro, por ejemplo, un taladro rotatorio industrial.
También se compone de una red de tubos, entrada de aire y cilindros neumáticospero las partes exteriores llenas de aire son limitado al interior carcasa. También se ha diseñado pensando en la practicidad, tanto en términos de resistencia como de comodidad para el usuario. Se utiliza ampliamente para romper superficies duras como el pavimento o el hormigón debido a su alta par de torsión y grandes capacidades.
Las personas pueden utilizar un taladro neumático tanto para proyectos de bricolaje como para proyectos industriales en los que la fuerza y la fiabilidad son útiles, también se pueden realizar tareas de precisión gracias a las RPM ajustables y a la broca del taladro neumático.
Escenarios de construcción habituales para el uso de taladradoras neumáticas
¿Qué importancia tienen las perforadoras neumáticas en la obra? Las taladradoras neumáticas son muy útiles cuando es necesario taladrar en profundidad y se desea cortar materiales gruesos.l. Por ejemplo, las construcciones de carreteras cuentan con un taladro neumático para cortar asfalto o pavimento. Tales aparatos poseen fuerza y requieren longevidad para retirar el hormigón viejo, colocar nuevos cimientos y perforar en hormigón o superficies gruesas.
Además del uso más común en obras de construcción de carreteras Las perforadoras neumáticas siguen siendo uno de los equipos más utilizados también en las obras de demolición. Las perforadoras neumáticas son un poco más ligero porque no funcionan con electricidad, sino con aire comprimido, lo que facilita su uso. Otra ventaja es que estos taladros son capaces de aplicar una gran cantidad de presión de forma constante, lo que es mejor para cortar grandes trozos de materiales. Las piezas de perforación acoplables pueden utilizarse para diversas tareas, desde romper una superficie de hormigón, crear orificios para soportes o fijar una sustancia, hasta crear pequeñas impresiones en la superficie objetivo.
Aparte de eso, construcción de conducciones de servicios subterráneos y otros sistemas es otro ámbito en el que se aplican ampliamente los equipos accionados neumáticamente, en particular, las perforadoras y martillos neumáticos. Las herramientas neumáticas facilitan el trabajo en el suelo y la colocación de tuberías. También es factible -empleando un taladro neumático con los accesorios necesarios- realizar operaciones como la perforación de orificios de tamaños especificados para determinados accesorios o válvulas.
El papel de las perforadoras neumáticas en la minería y la construcción de carreteras
Minería y construcción de carreteras son dos sectores en los que los taladros neumáticos son realmente esenciales. Las herramientas de trabajo como los taladros neumáticos son muy útiles para casi todas las operaciones de trabajo debido a su potencia, durabilidad y flexibilidad. A continuación encontrará un desglose detallado de las principales funciones que desempeñan las perforadoras neumáticas en estos sectores.
| Papel | Aplicación | Características |
| Romper rocas | Se utiliza en minería para romper formaciones geológicas duras, lo que permite acceder a minerales y menas. | Alto par accionado por presión de aire; robusto para entornos difíciles. |
| Creación de túneles | Imprescindible para crear túneles en explotaciones mineras. | Par constante y capacidad para soportar un uso prolongado en espacios reducidos. |
| Eliminación de pavimento antiguo | Clave para romper el asfalto y el hormigón durante la reparación o construcción de carreteras. | Mecanismo apilador pesado para penetrar capas de material con eficacia. |
| Taladrado de precisión | Se utiliza en obras viales y minería para aplicaciones precisas como orificios para pernos o puntos de anclaje. | Portabrocas ajustables y brocas intercambiables para mayor versatilidad. |
| Durabilidad en condiciones duras | Funciona de forma fiable a temperaturas extremas y con un uso rudo en ambas industrias. | Carcasas exteriores y cilindros fabricados con materiales resistentes al desgaste; cumplimiento de las normas ISO. |
En resumen, la conclusión señala que las perforadoras neumáticas son herramientas capitales y centrales para las operaciones de minería y obras viales que proporcionan la mejor o extrema durabilidad o funcionalidad del trabajo. Su extrema resistencia para realizar numerosas tareas en entornos difíciles las convierte en una de las herramientas más preciadas de estas industrias.
Por qué los cilindros neumáticos de alta calidad son clave para el rendimiento de la perforadora
Para un rendimiento óptimo de las perforadoras neumáticas, los cilindros neumáticos impecables son componentes necesarios. Estos cilindros son el núcleo del trabajo al convertir la fuerza muscular a través de la presión neumática para permitir tareas que requieren una potencia constante como la rotura de asfalto y roca. Un cilindro bien fabricado garantiza un mejor funcionamiento de la perforadora y aumenta su esperanza de vida, así como su eficacia operativa, lo que la convierte en primordial para industrias brutales como la minería y la construcción de carreteras.
Hebai, una de las empresas más destacadas del sector, ha diseñado los cilindros normalizados más adecuados para este tipo de industrias, que no escatiman esfuerzos en la búsqueda de soluciones fiables. Su durabilidad, precisión y capacidad para adaptarse a diversos tamaños hacen que los cilindros Hebai sean versátiles y rentables. Tanto si se trata de actualizar el equipo como de mejorar aún más sus perforadoras, pueden incorporar los cilindros estándar de Hebai, que se fabrican de forma sencilla y sin esfuerzo para cumplir los requisitos operativos deseados.
Para todos aquellos que deseen mejorar la perforación, no busquen más. Hebai's cilindros estándar siendo el rendimiento de los taladros neumáticos el mejor con la ayuda de estos cilindros estándar, definamos algunas de sus ventajas con mayor detalle.
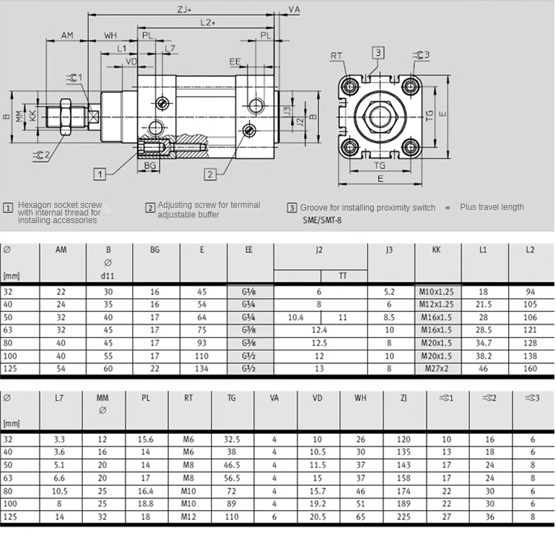
Cilindro CDG
Descripción
La estructura general del cilindro es compacto, excelente calidad, fuerte empuje y tracción, y duradero. El producto adopta cuerpo del cilindro de aleación de aluminio oxidado duroVástago cromado, juntas y juntas tóricas de alta calidad, tapas de extremo engrosadas. Se pueden añadir varios tipos de accesorios para adaptarse a diversos entornos de instalación complejos.
Especificación del producto

Cilindro DSNU
Descripción
La estructura general del cilindro es compacta y la conexión global es estanca, resistente al desgaste, a prueba de fugas, suave y resistente a los golpes. El producto adopta cuerpo del cilindro de acero inoxidable de alta calidadVástago cromado, anillo de estanqueidad importado, base engrosada resistente a los impactos. Se pueden añadir varios accesorios para adaptarse a diversos entornos de instalación complejos.
Especificación del producto

Cilindros NDC
Descripción
La estructura general del cilindro es compacto, excelente calidad, gran fuerza de empuje y tracción, duradero. El producto adopta cuerpo del cilindro de aleación de aluminio oxidado durovástago del pistón cromado, juntas de alta calidad y tapas engrosadas. Se pueden añadir varios accesorios para adaptarse a diversos entornos de instalación complejos.
Especificación del producto

Cilindros SC
Descripción
La estructura general del cilindro es compacto, excelente calidad, fuerte empuje y tracción, y duradero. El producto adopta cuerpo del cilindro de aleación de aluminio oxidado duroVástago cromado, juntas y anillos tóricos de alta calidad, tapas engrosadas. Varios tipos de accesorios puede añadirse a adaptarse a diversos entornos de instalación complejos.
Especificación del producto

Conclusión
Quiero hablar de los taladros de penetración, que dependen sobre todo del rendimiento del cilindro. Los cilindros neumáticos son la fuente de uniforme par de torsión características, rotación controlada y resistencia excepcionalsobre todo en sectores como la minería y la construcción de carreteras.
Aquí es donde Hebai destaca principalmente. Estamos orgullosos de nuestra capacidad para fabricar pcilindros neumáticosque le proporcionan fuerza y calidad. Con Hebai, su equipo no es sólo valioso, sino también extraordinarias herramientas de construcción, minería o automatización. Está diseñado para desarrollar su coste inicial para ser dirigido al máximo rendimiento deseado y no más gastos sin necesidad real de que.
¿Quiere mejorar sus herramientas? Utilice los cilindros Hebai para mejorar su perforadora de penetración en condiciones de trabajo severas.
Cómo los cilindros neumáticos mejoran la eficacia y ahorran costes en las aplicaciones de perforación industrial
La mecánica de los taladros eléctricos neumáticos se basa en cilindros neumáticos, que constituyen la característica principal de estas herramientas. Su potencia constante a través del aire comprimido facilita la perforación sin problemas incluso en los entornos más benévolos, como la minería, la fabricación pesada o la construcción. Teniendo en cuenta los distribuidores de piezas de automatización eléctrica pequeños y especializados, sería bueno disponer de un stock de componentes de taladros eléctricos neumáticos duraderos. Dichos cilindros son parte integrante de las máquinas y deben ser incluidos por un distribuidor que se dedique a industrias que busquen soluciones asequibles y robustas.
Además, los mayoristas y distribuidores pueden añadir cómodamente cilindros neumáticos a la lista de componentes a la venta, lo que, cuando se suministra a los usuarios finales, reduce los costes. El uso de cilindros de alto rendimiento disminuye la cantidad de aire utilizado, y hace que el mantenimiento y la vida útil de los taladros eléctricos resulten más eficaces para los clientes industriales. Dependiendo de las relaciones construidas con los clientes, los distribuidores pueden proporcionar marcas de confianza de cilindros o construirlos en torno a sus necesidades o negocio eliminando piezas muy buscadas en automatización.
Hebei es la marca que fabrica cilindros neumáticos en los que puede confiar. En la gran lista de empresas de cilindros neumáticos de China, nos enorgullecemos de crear cilindros de alta calidad que aumentar la eficacia y fiabilidad de los sistemas de automatización en diferentes industrias. Con casi cuatro décadas en el negocio, nuestros productos son estándares internacionales de calidad debido a su resistencia, precisión y excelente capacidad de sellado. Y con Hebai, usted también puede tener estos parámetros cambiados Longitud de la carrera del cilindro y el peso del agujero e incluso el material de esta manera se obtendría el cilindro necesario para múltiples usos de las aplicaciones industriales. Estos parámetros y el conjunto de valores que ofrecemos han hecho de Hebei una empresa ideal a la que acuden distribuidores y mayoristas en busca de aumentar su línea en una época en la que las necesidades de los clientes también cambian a diario..
Ventajas de las brocas neumáticas frente a otras herramientas de perforación
Las brocas neumáticas tienen ventajas específicas que las diferencian de otras herramientas de perforación. Las principales razones por las que se prefieren estas herramientas se han resumido en la siguiente tabla:
| Aspecto | Taladros neumáticos | Taladros eléctricos |
| Fuente de energía | Utiliza aire comprimido, lo que garantiza la fiabilidad incluso en entornos sin una fuente de alimentación estable. | Dependen de la electricidad, lo que las hace menos fiables en zonas con energía inestable o no disponible. |
| Durabilidad | Más duraderos gracias a sus componentes mecánicos sencillos, resistentes a la humedad y al desgaste. | Propensos a dañarse en entornos muy húmedos o difíciles. |
| Seguridad | Más seguro en entornos húmedos o peligrosos gracias a la ausencia de corrientes eléctricas. | Los componentes eléctricos plantean riesgos en condiciones húmedas o entornos explosivos. |
| Peso y tamaño | Más ligera y compacta, reduce el esfuerzo de los operarios durante largas sesiones de trabajo. | Más pesados y voluminosos, lo que los hace más difíciles de manejar durante periodos prolongados. |
| Riesgo de sobrecalentamiento | Riesgo mínimo de sobrecalentamiento debido a la mecánica neumática. | Mayor riesgo de sobrecalentamiento durante el uso continuado. |
| Potencia y par | Proporciona un par elevado, adecuado para tareas pesadas como romper hormigón o pavimento. | Potencia limitada para aplicaciones intensivas en superficies duras. |
| Versatilidad | Puede utilizarse con diversos accesorios, como brocas de cincel, brocas de taladro y accesorios de roscado. | Menos versátil en el manejo de diferentes tipos de superficies y aplicaciones. |
| Precisión | Se comporta bien en superficies duras con potencia y precisión constantes. | Puede tener dificultades para mantener la precisión y la durabilidad en materiales duros o abrasivos. |
Como último punto, debido a su, fiabilidad, durabilidad en entornos exigentes. Con esta combinación, las perforadoras neumáticas son potente y resistente lo que significa que son adecuadas para tareas pesadas pero son ligeras haciéndolo fácil de usar y flexible para diferentes aplicaciones. No importa si lo utiliza en una industria profesional o en su hogar, los taladros neumáticos no dejarán de rendir.
Explicación de las aplicaciones industriales de las perforadoras neumáticas

Debido a su utilidad en trabajos precisos y su capacidad para soportar los rigoresLas taladradoras neumáticas siguen siendo útiles en diversas industrias. En el caso del sector manufacturero, este equipo es necesario en el montaje de máquinas pesadas, en la perforación de orificios en componentes metálicos o en el tendido de tuberías.. Esto es posible gracias a que son capaces de proporcionar un par constante y de utilizar brocas de diferentes tamaños. Además, debido a su ligereza y clase de diseño, las perforadoras neumáticas absorben a los operarios, lo que les permite trabajar en labores industriales intensas y repetidas sin sufrir fatiga.
En el sector del automóvil Por ejemplo, los taladros neumáticos son herramientas importantes para roscar agujeros, apretar pernos y taladrar aceros duros o incluso aluminio. Sus altas revoluciones y su robustez forman una gran combinación, ya que ayudan a encajar con precisión piezas delicadas, puesto que las piezas soldadas están construidas de tal manera que las partes unidas no se desajustan. Igualmente, grandes proyectos de construcción e infraestructuras utilizan ampliamente las perforadoras neumáticas para romper hormigón, atornillar y soldar objetos pesados. Su capacidad para realizar un trabajo constante en condiciones duras garantiza un rendimiento bien optimizado en entornos de alta presión.
Otro uso importante se aplica a los sectores de la construcción naval y la minería. Para la construcción naval, se necesita cualquier dispositivo capaz de trabajar en materiales duros como el acero o estructuras compuestas, donde la potencia y la fiabilidad son lo que proporcionan las perforadoras neumáticas. Además, en las explotaciones mineras, donde es obligatorio trabajar en capas de roca, túneles y que todo esté sucio y polvoriento, se utilizan las perforadoras neumáticas. Ya se trate de excavación, construcción o producción en serie, las perforadoras neumáticas siempre han dejado su impronta como herramientas polivalentes y de alto rendimiento aptas para el trabajo industrial.
Consejos de seguridad para un uso eficaz de las perforadoras neumáticas
Debe cuidar la seguridad del operario cuando utilice herramientas como taladros neumáticos, ya que su manejo puede resultar peligroso. Esto empieza por construyendo EPI que consiste en protección auditiva ya que los taladros neumáticos pueden ser ligeramente ensordecedores en ocasiones. De treinta a cuarenta y cinco minutos de uso continuado del taladro, acabará provocando daños auditivos, por lo que se recomienda precaución. Además, gafas resistentes a los impactos son imprescindibles, ya que las astillas que salen despedidas pueden dañar los ojos, y las manos enguantadas pueden ayudar a evitar que las vibraciones excesivas y las partes móviles del taladro causen graves daños en las manos desprotegidas. Por último, en la construcción y las zonas industriales, llevar botas con puntera de acero también puede evitar lesiones provocadas por la caída de equipos o materiales de construcción.
Con los accesorios adecuados, la eficacia del taladro dará sus frutos. Por ejemplo, una broca de cincel será adecuada para el pavimento, mientras que una de punta afilada puede utilizarse para el hormigón y viceversa. Sin embargo, un error puede ser tan grave a largo plazo como utilizar el accesorio incorrecto, ya que disminuirá la eficacia e incluso provocará resultados peligrosos. Antes de comenzar a utilizar un taladro neumático, asegúrese de inspeccionarlo inmediatamente. Es fundamental comprobar si la manguera de aire presenta fugas, posibles grietas o juntas sueltas que puedan suponer un riesgo para la seguridad.
Igual que son importantes las herramientas adecuadas, también lo son técnicas y enfoques adecuados en este caso. Hay que utilizar ambas manos para agarrar el motor del taladro, manteniendo una buena postura en el suelo para asegurarse de que la herramienta no se salga fácilmente de control. Utilice el taladro neumático con la presión de aire y el par de torsión diseñados, ya que aplicar más puede dañar la herramienta o lesionar al usuario. Además, nunca apunte el taladro hacia una persona, ni lo utilice cuando no apunte en la dirección correcta, y no olvide cortar el aire antes de cambiar una broca o realizar cualquier reparación. Si se siguen estas recomendaciones, el uso de taladros neumáticos en cualquier lugar de trabajo será eficaz, seguro y sin accidentes.
Cómo las brocas y los cilindros neumáticos mejoran la eficacia y ahorran costes

Por su eficacia, fiabilidad y rentabilidad, las taladradoras neumáticas son herramientas fundamentales en numerosos sectores. Con el uso de cilindros neumáticos de alta calidad y el suministro de aire comprimido, estas herramientas funcionan mejor incluso en las condiciones más duras. Su diseño y su funcionamiento contribuyen a mejorar el rendimiento y a ahorrar costes a largo plazo. A continuación se describen las formas fundamentales en que los taladros y cilindros neumáticos aumentan la eficacia y minimizan los costes:
Disminución de los costes de explotación
- Una de las principales ventajas de los taladros neumáticos es que utilizan aire comprimido en lugar de tensión eléctrica, lo que reduce el consumo de energía y la dependencia de la red eléctrica.
- La estructura primaria de las perforadoras neumáticas es simple; con menos piezas móviles, esto disminuye los requisitos de mantenimiento y aumenta el desgaste de la máquina, lo que reduce su coste de sustitución.
- Los taladros eléctricos nunca serán tan económicos ni requerirán tan poco mantenimiento como estas herramientas, porque están fabricados para durar.
Mayor productividad con cilindros neumáticos
- La conmutación de taladros que realizan tareas repetitivas y pesadas es posible gracias a la potencia constante que proporcionan estos cilindros.
- Gracias a su gran resistencia, estos cilindros pueden soportar condiciones duras como las de una mina, un astillero o una obra sin ceder.
- Esta uniformidad reduce los daños en las actividades industriales, lo que fomenta la eficiencia y la eficacia.
Gracias a la gran fuerza que proporcionan estos cilindros, se hace posible la conmutación de taladradoras que trabajan en tareas repetitivas y pesadas. Incluso en condiciones extremas, por ejemplo en minas, astilleros u obras de construcción, estos cilindros son capaces de resistir gracias a su gran fuerza. Esta uniformidad minimiza los daños en los procesos industriales y, a su vez, aumenta la eficiencia y la eficacia.
Hebai y otros fabricantes van un paso más allá en lo que respecta a esta fiabilidad proporcionando cilindros neumáticos pensados para la fiabilidad y la adaptación. Tienen una longitud de carrera personalizada de 2000 mm y un diámetro interior personalizado de Ø12 mm a Ø320 mm, por lo que pueden adaptarse a una amplia gama de usos industriales. Se utilizan materiales resistentes, como acero inoxidable y aleación de aluminio, y cuentan con la certificación ISO/CE, por lo que puede esperar alta precisión, gran seguridad y larga vida útil incluso en condiciones extremas. Para obtener más información sobre los cilindros neumáticos utilizados para aumentar sus operaciones, consulte https://www.hebaiele.com/pneumatic-cylinders/
Mayor eficacia y menor tiempo de inactividad
- La probabilidad de perder tiempo durante una operación esencial disminuye, ya que las perforadoras neumáticas están construidas para trabajar obsesivamente y no averiarse.
- Dado que las taladradoras son capaces de realizar actividades de alta intensidad sin fallar, los operarios pueden seguir trabajando sin tener costosas interrupciones.
- Las perforadoras neumáticas ayudan a reducir el tiempo de inactividad y el coste a lo largo de la duración que también es de naturaleza operativa debido a la menor cantidad de averías y mantenimiento que tienen dichas perforadoras.
En este sentido, puede decirse que los taladros neumáticos, que funcionan mediante cilindros neumáticos, son un componente industrial que se caracteriza por su rentabilidad, su rendimiento y su eficacia en el tiempo. Junto con ellos, los costes operativos son también muy bajos, lo que los convierte en una inversión inteligente para las industrias que buscan mejorar sus procesos operativos y sus márgenes de rentabilidad a largo plazo.
Cómo elegir el taladro neumático y los accesorios adecuados a sus necesidades
Para elegir el taladro neumático correcto, primero hay que fijarse en qué se requiere exactamente de ese taladro. Por ejemplo, cuando se trabaja con hormigón o cuando es necesario romper materiales duros, lo mejor es utilizar un taladro que tenga un alto par de torsión y esté fabricado con materiales resistentes. Sin embargo, cuando se perforan agujeros en piezas finas o trabajos especializados, es necesario utilizar un taladro en el que se puedan ajustar las RPM y que sea capaz de alojar brocas de precisión. También es importante que en la estructura del taladro se incorporen herramientas como la protección contra sobrecargas para evitar complicaciones por daños durante el uso, especialmente si éste es prolongado.
Igual que elegir un taladro, elegir un accesorio es igual de importante. Por ejemplo, una broca de cincel se puede utilizar para demoler y romper superficies, mientras que una función de roscado crea orificios roscados en metales o materiales similares. Las especificaciones del compresor de aire deben ser compatibles con el taladro utilizado, ya sea el tamaño de la manguera o el de la entrada de aire. El uso de accesorios contribuye al diseño ergonómico del taladro, que minimiza el esfuerzo y la incomodidad del operario, además de mejorar la eficacia cuando se utiliza durante más tiempo.
Consigue un taladro de buena calidad que cumpla todas las normas de la Organización Internacional de Normalización. Invierta en un taladro que le garantice fiabilidad. Tanto si lo utiliza para la construcción y la fabricación como para proyectos de bricolaje, contar con el tipo adecuado de herramientas es sinónimo de trabajo bien hecho. No hay motivo para preocuparse por los tiempos de inactividad y las averías. Si utiliza herramientas certificadas, mejorará enormemente su eficacia. Cuando busque accesorios para un taladro, esfuércese por buscar artículos que cumplan los requisitos ISO en cuanto a protección y cualidades duraderas.
Cilindros estándar Hebai: El socio perfecto para sus herramientas neumáticas

Considerar las herramientas neumáticas, cilindros estándar por Hebai consiguen dar una ventaja adicional a sus operaciones. Los cilindros de alto rendimiento se construyen con cuerpos de aleación de aluminio de alta resistencia y vástagos cromados para garantizar la durabilidad y un funcionamiento uniforme. Sea cual sea su elección, tanto si se trata de taladradoras para trabajos pesados como de máquinas automáticas, la baja fricción y funcionamiento suave de estos cilindros permite utilizarlos en un amplio espectro de aplicaciones industriales. Además, su sencillez de instalación ahorra tiempo y recursos, lo que permite adaptarlos fácilmente a sus sistemas.
Los cilindros fabricados en nuestras fábricas están disponibles en una amplia selección de dimensiones personalizables de Ø12 mm a Ø320 mm nos permite adaptarnos a sus necesidades. Para garantizar un rendimiento óptimo de los sistemas automatizados, comprender qué es una fuente de alimentación conmutada es crucial para mantener un aporte de energía estable. Con una certificación ISO y el despliegue de tecnologías de sellado superiores, los cilindros Hebai garantizan la ausencia de fugas y deformaciones en un espacio volumétrico determinado en función de la presión ajustada. Su atractivo precio le permite adquirir herramientas de mayor calidad que aseguran la productividad sin dejar de ser rentables. No sólo obtiene componentes con nosotros, sino que obtiene componentes hechos para la eficiencia.



