logo hebai
Recherche
Fermer cette boîte de recherche.
Recherche
Fermer cette boîte de recherche.

Maîtrise des dimensions des bouteilles d'air comprimé : Guide du débutant

Lorsqu'il s'agit de sélectionner le bon vérin pneumatique pour votre application, la taille du vérin joue un rôle crucial. Le choix de la bonne taille garantit des performances, une efficacité et une sécurité optimales. Dans ce guide, nous allons vous présenter tout ce que vous devez savoir sur les tailles de bouteilles d'air, les facteurs clés à prendre en compte et les conseils pour sélectionner la bouteille la mieux adaptée à vos besoins.

Quelles sont les dimensions des bouteilles d'air comprimé et pourquoi sont-elles importantes ?

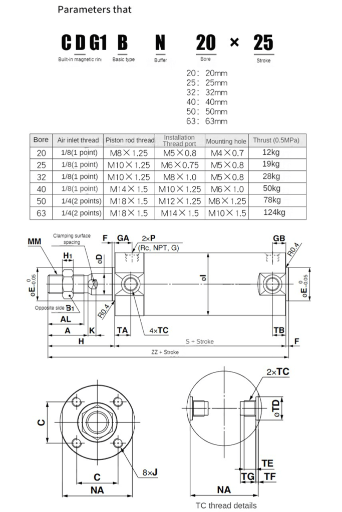
Taille des cylindres d'air1

Les dimensions des bouteilles d'air comprimé sont les mesures réelles de la bouteille, en particulier la taille de l'alésagequi est le diamètre interne du cylindre et la longueur de la coursequi est le mouvement de la tige du piston. Ces tailles sont importantes car elles définissent la force que les vérins pneumatiques peuvent produire et l'amplitude du mouvement de la charge. Lorsque vous utilisez de l'air comprimé pour produire un mouvement linéaire, ces tailles sont essentielles pour déterminer l'efficacité de la machine ou la défaillance du mécanisme.

Un cylindre pneumatique de taille appropriée garantit que la force nécessaire est appliquée avec peu de contact entre le cylindre et les autres pièces. Si le cylindre pneumatique est de petite taille, il risque de ne pas pouvoir exercer une force suffisante, ce qui se traduira par de faibles performances. D'autre part, si la taille est choisie pour être grande, elle n'est pas très efficace car elle gaspille la pression de l'air, la tuyauterie et l'énergie. Elle peut également créer un frottement dynamique là où il n'est pas nécessaire ou augmenter le besoin de lubrification à certains endroits.

Comme il existe un grand nombre de tailles de vérins pneumatiques, il est important de comprendre les principes fondamentaux du dimensionnement, que vous travailliez avec des vérins à corps rond en acier inoxydable, des vérins sans tige ou d'autres types de vérins qui bénéficient d'une lubrification stable (lube). Le bon diamètre d'alésage et la bonne longueur de course peuvent affecter des paramètres tels que la vitesse d'actionnement, l'accélération et les performances du système. En fait, oui, cela a beaucoup d'importance.

Facteurs clés à prendre en compte pour déterminer la taille des bouteilles d'air comprimé

Pour déterminer la taille appropriée d'une bouteille d'air, vous devez tenir compte de plusieurs facteurs. Ces éléments influenceront non seulement la taille, mais aussi la conception globale et l'efficacité de votre système.

Besoins en forces

  • La force développée par un vérin pneumatique est fonction du diamètre de l'alésage et de la pression d'air disponible. Pour déterminer la force, il faut connaître la force nécessaire pour déplacer la charge, qui comprend généralement la force de la tige du piston et toute autre force susceptible de faire obstacle, telle que le frottement ou un amortisseur. La détermination de la force nécessaire vous aidera à décider si vous devez opter pour un alésage plus grand ou plus petit.

Longueur de la course

  • La longueur de la course est définie comme la distance que le piston peut parcourir en un cycle de fonctionnement. Ce facteur est particulièrement important lorsque votre projet nécessite des courses longues ou variables. La plupart des vérins pneumatiques sont dotés d'une fonction de réglage de la longueur de course pour s'adapter aux exigences de l'application.

Pression de fonctionnement

  • La pression de votre système d'air comprimé, normalement exprimée en psi, détermine la force exercée par la bouteille. Les systèmes à basse pression peuvent nécessiter des bouteilles plus grandes pour compenser la faible pression, tandis que les systèmes à haute pression peuvent utiliser de petites bouteilles.

Contraintes spatiales

  • Si votre système présente des contraintes spatiales, il convient d'en tenir compte lors du choix d'une bouteille d'air. Par exemple, l'utilisation de bouteilles sans tige est appropriée dans les situations où le système doit être compact pour tenir dans une certaine zone.

Matériaux et environnement

  • Pensez aux conditions d'utilisation de l'équipement et au matériau de la bouteille d'air. Dans les zones corrosives ou à forte humidité, les bouteilles en acier inoxydable sont utilisées en raison de leur grande solidité et de leur résistance à la corrosion.

Comprendre l'alésage et la longueur de course des vérins pneumatiques

taille des cylindres d'air2

Lorsque l'on parle de la taille des vérins pneumatiques, deux mesures essentielles dominent : la taille de l'alésage et la longueur de la course. Détaillons-les :

Taille de l'alésage : La taille de l'alésage est définie comme le diamètre interne du vérin pneumatique. Cette dimension a un impact direct sur la force que le cylindre est capable de produire. Plus l'alésage est grand, plus la force appliquée par le vérin en question est importante. Par exemple, un vérin avec un alésage de grande taille convient lorsque votre application nécessite plus de force pour pousser des charges importantes. Cependant, les alésages plus importants peuvent également augmenter la friction et donc nécessiter plus de lubrification que les alésages plus petits.

Longueur de la course : La longueur de la course est la distance sur laquelle la tige du piston se déplace pendant le fonctionnement de la machine. Cette valeur est importante lorsqu'un contrôle précis du mouvement est nécessaire. Des courses plus longues sont nécessaires pour les applications où le mouvement linéaire est long, tandis que des courses plus courtes conviennent pour les applications courtes.

La connaissance de la relation entre ces deux facteurs permet de prévoir le comportement du cylindre dans diverses circonstances. Si vous avez besoin d'une réponse rapide et d'une forte accélération, il est préférable d'utiliser un vérin avec un petit diamètre et une course de piston courte. En revanche, pour les opérations lourdes, vous pouvez décider d'opter pour un alésage plus important et une course plus longue.

Comment calculer la taille des bouteilles d'air comprimé pour votre projet ?

Le choix de la bonne taille de vérin pneumatique nécessite de nombreux calculs en fonction du projet sur lequel vous travaillez. Commencez par déterminer la force nécessaire pour déplacer la charge, qui peut être calculée à l'aide de la formule : Force = Pression × Surfaceoù la surface est la surface de la tête du piston calculée par le diamètre de l'alésage.

Deuxièmement, compenser la pression de fonctionnement en choisissant la taille de l'alésage en fonction de la pression disponible en psi. Il est important de noter qu'une pression de fonctionnement plus élevée signifie que la même force peut être obtenue avec un alésage plus petit.

Enfin, la longueur de course, c'est-à-dire la distance que la tige du piston doit parcourir pour effectuer un cycle, permet de déterminer la longueur du cylindre. Il s'agit d'une approche de base et, en tant que telle, il est important de noter que certains projets peuvent nécessiter d'autres facteurs tels que des amortisseurs ou des systèmes de lubrification qui affectent les calculs.

Introduction aux quatre types de vérins pneumatiques les plus courants

Il existe plusieurs types de cylindres pneumatiques Il existe de nombreux types d'outils, chacun offrant des avantages spécifiques en fonction de l'application. Examinons les quatre types les plus courants :

Cylindres CDG

Cylindres CDG
Cylindres CDG

Description

  • La structure globale du vérin est compacte, d'excellente qualité, résistante à la poussée et à la traction, et durable. Le produit adopte un corps de vérin en alliage d'aluminium oxydé dur, une tige de piston chromée, des joints d'étanchéité et des joints toriques de haute qualité, des capuchons d'extrémité épaissis. Différents types d'accessoires peuvent être ajoutés pour s'adapter à divers environnements d'installation complexes.

Spécifications :

  • MODÈLES : CDG1BN
  • BORE : 20、25、32、40、50、63、80、100mm
  • STROKE25-500+mm

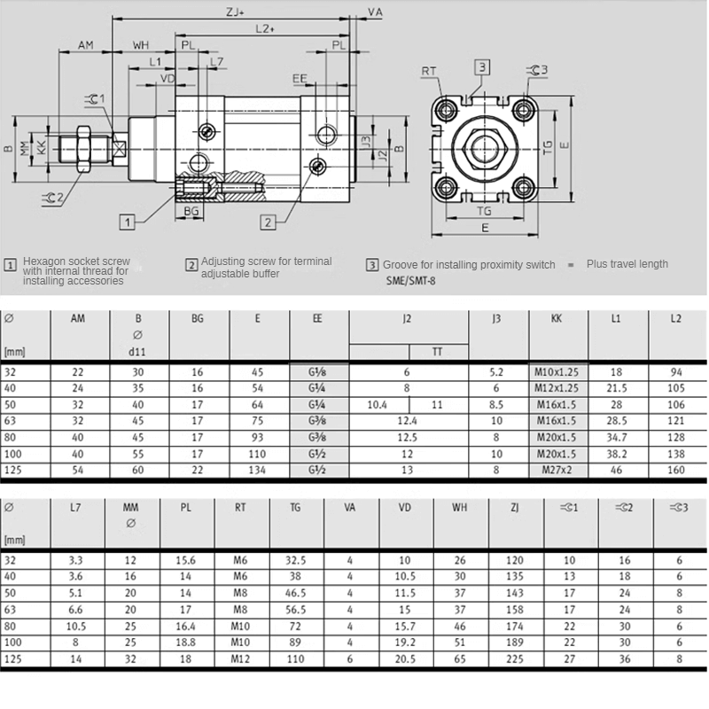
tableau des tailles des produits

tableau des tailles des produits

Cylindres DSNU

Cylindres DSNU
Cylindres DSNU

Description

  • La structure globale du vérin est compacte et la connexion globale est étanche, résistante à l'usure, étanche, lisse et résistante aux chocs. Le produit adopte un corps de cylindre en acier inoxydable de haute qualité, une tige de piston chromée, un joint d'étanchéité importé, une base épaissie résistante aux chocs. Divers accessoires peuvent être ajoutés pour s'adapter à divers environnements d'installation complexes.

Spécifications :

  • MODÈLES : DSNU
  • BORE : 10、12、16、20、25、32、40mm
  • ACCIDENT :25-500+mm

Tableau des tailles de produits

Tableau des tailles de produits

Cylindres NDC

Cylindres NDC
Cylindres NDC

Description

  • La structure générale du vérin est compacte, d'excellente qualité, avec une force de poussée et de traction importante et durable. Le produit adopte un corps de vérin en alliage d'aluminium oxydé dur, une tige de piston chromée, des joints de haute qualité et des embouts épaissis. Divers accessoires peuvent être ajoutés pour s'adapter à divers environnements d'installation complexes.

Spécifications :

  • MODÈLES : NDC
  • BORE : 32、40、63、80、100、125mm
  • ACCIDENT : 25-1000+mm

Tableau des tailles de produits

Tableau des tailles de produits

Cylindres SC

Cylindres SC
Cylindres SC

Description

  • La structure globale du vérin est compacte, d'excellente qualité, résistante à la poussée et à la traction, et durable. Le produit adopte un corps de vérin en alliage d'aluminium oxydé dur, une tige de piston chromée, des joints d'étanchéité et des joints toriques de haute qualité, des capuchons d'extrémité épaissis. Différents types d'accessoires peuvent être ajoutés pour s'adapter à divers environnements d'installation complexes.

Spécifications :

  • MODÈLES : SC
  • BORE : 32、40、50、63、80、100、125、160、200mm
  • ACCIDENT : 25-1000+mm

Tableau des tailles de produits

Tableau des tailles de produits

Chacun de ces cylindres d'air peut être personnalisé pour répondre à vos besoins. application spécifique de matériaux tels que le bois de chauffage, le bois de chauffage et le bois de chauffage. acier inoxydable à différents types de lubrification et soupape des systèmes d'alimentation en eau.

Applications courantes et tailles de bouteilles d'air recommandées

Dimensions des bouteilles d'air varient en fonction de l'application, car les différents secteurs ont des besoins spécifiques en matière de force, de mouvement et de précision. Voici un aperçu de quelques applications courantes et des tailles de bouteilles d'air recommandées pour chacune d'entre elles :

Systèmes d'automatisation :

  • Dans l'automatisation industrielle, où la précision et la vitesse sont primordiales, des alésages plus petits avec des longueurs de course variables sont normalement utilisés. Les vérins pneumatiques de conception compacte, tels que les vérins à corps rond, sont courants dans l'automatisation en raison de leur petite taille et de leur cycle à grande vitesse pour les opérations répétitives. Ces systèmes fonctionnent généralement à des pressions de fonctionnement faibles à moyennes en raison du poids de la charge et de la vitesse nécessaire.

Manutention des matériaux :

  • Les applications de manutention peuvent nécessiter une force plus importante pour soulever ou transporter des charges par rapport à d'autres applications. Cela signifie que les diamètres d'alésage doivent être plus grands et les longueurs de course plus importantes pour permettre le mouvement nécessaire. À cet égard, les vérins à double effet sont souvent utilisés pour garantir que la charge est déplacée dans les deux sens avec un mouvement linéaire.

Machines d'emballage :

  • Dans l'industrie de l'emballage, la précision est très importante. Dans de nombreux cas, on utilise des vérins pneumatiques de petite taille qui répondent plus rapidement. Ces systèmes préfèrent les vérins en acier inoxydable en raison de leur capacité à résister à l'usure, en particulier lorsque des performances à grande vitesse et un faible frottement dynamique sont requis.

Transport :

  • Dans le cas des systèmes de freinage et de suspension dans les transports tels que les autobus ou les camions, les vérins pneumatiques doivent exercer une force importante. Il est conseillé d'utiliser des vérins sans tige dans les cas où l'espace est limité mais où les exigences en matière de force sont élevées.

Tailles recommandées

Pour les applications légères telles que l'automatisation et l'emballage, des diamètres d'alésage plus petits (de 1 à 2 pouces) associés à des longueurs de course courtes (moins de 10 pouces) sont courants dans les spécifications de la NFPA. En revanche, la manutention et le transport peuvent nécessiter des diamètres d'alésage plus importants, de 4 pouces ou plus, avec des longueurs de course supérieures à 20 pouces pour les tâches plus lourdes.

Conseils d'experts pour sélectionner les meilleures tailles de bouteilles d'air comprimé pour une meilleure efficacité

Choisir le meilleur dimensions des cylindres d'air pour plus d'efficacité ne doit pas être compliqué. Voici quelques conseils pour vous aider à prendre la bonne décision :

Il faut toujours privilégier la force par rapport à la taille en s'assurant que la force de sortie du vérin est toujours prioritaire par rapport à la taille du vérin, car un vérin qui s'adapte parfaitement mais qui ne répond pas à l'exigence de force ne fonctionnera pas comme prévu. La friction peut être traitée en sélectionnant des vérins avec des joints à faible friction ou en augmentant la lubrification pour réduire l'usure et garantir un fonctionnement en douceur lorsque la friction dynamique est un problème. Concentrez-vous sur la taille de l'alésage, qui est la clé de la force d'actionnement que votre système peut générer, et assurez-vous qu'elle est compatible avec la pression d'air et le poids de la charge ; cependant, un alésage plus grand signifie plus de puissance et plus de consommation d'air. Sélectionnez le bon vérin pour l'application en utilisant des vérins sans tige pour la précision et la flexibilité dans les zones étroites ou des vérins en acier inoxydable pour leur robustesse dans les zones corrosives. Vérifiez la compatibilité PSI pour vous assurer que la pression de fonctionnement du vérin correspond à l'alimentation en air de votre système ; une pression inférieure peut nécessiter un alésage plus grand pour produire la force nécessaire.

En suivant ces conseils, vous pouvez vous assurer que votre cylindre pneumatique et votre compresseur d'air sont correctement dimensionnés pour une efficacité et une longévité maximales dans votre application spécifique. Que vous choisissiez un vérin pour un système d'automatisation, un projet de manutention ou une solution de transport, il est essentiel que les dimensions du vérin pneumatique soient correctes pour assurer un fonctionnement fluide et sans problème.

Vérins pneumatiques efficaces et durables de Hebai-Omch

image

Hebai-Omch's cylindres pneumatiques sont idéales pour améliorer les performances des systèmes d'automatisation dans différentes industries. Hebai-Omch fabrique des produits pneumatiques depuis près de 40 ans et propose des vérins pneumatiques de haute qualité qui sont efficaces pour diverses industries. Ces vérins ont des composants usinés avec des tolérances fines, ce qui les rend très durables, faciles à utiliser et performants dans les applications qui nécessitent un haut niveau d'automatisation.

La flexibilité et l'économie d'énergie des vérins pneumatiques Hebai-Omch sont quelques-uns de leurs avantages. Ces vérins peuvent fournir des mouvements linéaires et rotatifs et sont idéaux pour diverses applications automatisées. Ils transforment efficacement l'air comprimé stocké en énergie mécanique, tout en consommant un minimum d'énergie, ce qui réduit les frais d'exploitation. Ces vérins sont de petite taille, ce qui permet de les utiliser dans des zones où l'espace est limité, mais ils sont très efficaces et de haute qualité.

Les vérins pneumatiques Hebai-Omch sont faciles à contrôler et ont un temps de réponse court, ce qui les rend idéaux pour les applications qui nécessitent des mouvements précis et rapides dans les processus automatisés. Ils sont également très polyvalents et peuvent facilement être intégrés à d'autres accessoires et systèmes d'automatisation pour être utilisés dans des systèmes existants. Hebai-Omch existe depuis 37 ans et possède 86 succursales dans le monde entier. La société est réputée pour fabriquer plus de 20 millions de produits de haute qualité dans l'industrie de l'automatisation industrielle.

Merveilleux ! Partager ce cas :

Table des matières

Prenez contact avec nous

Cliquez ou déplacez un fichier dans cette zone pour le téléverser.

Prenez contact avec nous

Cliquez ou déplacez un fichier dans cette zone pour le téléverser.

*Nous respectons votre confidentialité et toutes les informations sont protégées.